The Comstock Grande Dame is one of the best hidden gems of Queen Anne's Stairs.

Its bottom landing is on a cul-de-sac on Comstock St. just to the east of Queen Anne Ave. N. And the top landing is past the cul-de-sac end of 1st Ave N. (just follow the narrow sidewalk south, go down a path, and turn around the corner).

With its sinuous turns and the great canopy of trees above it, the Comstock Grande Dame is a great place to steal a kiss.    

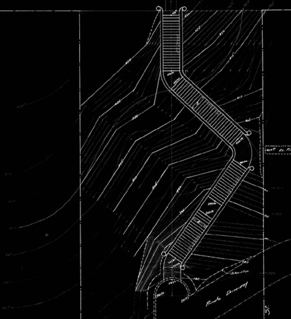
Plan view of the stair. 1909. Courtesy of Seattle Municipal Archives.

NUMBER OF LANDINGS
Three

NUMBER OF STAIRS
85

LOCATION:
Comstock St. just east of Queen Anne Ave.

PART OF CHAIN:
Not part of a Chain, but check out this walk.

DATE BUILT
1909

STAIR TYPE:
CIP Concrete

DID YOU KNOW:
The Comstock Grande Dame may have the highest landing for any public stair in the City. It's a tie between the Galer Crown and the Comstock Grande Dame and my altimeter isn't sensitive enough to note a difference between the two.

One of the serpentine turns down the hill. Photo by Thomas Horton. 2007.

Twisting up the hill in the fog. Photo by Thomas Horton. 2007.

Bottom landing starts at a cut-de-sac. Photo by Thomas Horton. 2007.


© 2010 Thomas Horton – Graphics & original qa.stairs.com content. 

Previous
Previous

Willcox Wall (469)

Next
Next

6th Avenue W & Highland (342)